Skip to content Skip to sidebar Skip to footer

Wireless 1000 Annunciator System

Wireless 1000 Annunciator System Security Info Watch

Wireless 1000 Annunciator System Security Info Watch

Wireless 1000 annunciator system. Sold by wood-and-water 844 1000 Positive feedback Contact seller. Request More Information First Name Last Name Email Address Phone Number. Optex Wireless 2000 Annunciator System Optex RCTD-20U.

Receiver that can hold up to 9 detectors and chimes when the. WIRELESS 1000 ANNUNCIATOR SYSTEM. Wireless 1000 offers you comfort and convenience in.

Optex Wireless 1000 Hand-Held Transmitter TS-10U. Optex Wireless 1000 Annunciator System TC-10U Manuals User Guides. Find great deals on eBay for optex wireless.

Optex RC 10U Wireless 1000 Annunciator Sysytem Door Bell. The two devices can communicate with each other up to 2000. Wireless 1000 Annunciator System.

An outdoor-rated PIR motion detector and a wireless Chime Box receiver that can hold up to 9 detectors and chimes when the sensor detects motion. The item may be missing the original packaging or protective wrapping or may be in the original packaging but not sealed. The RCTD-20U or Wireless 2000 is a wireless annunciator system that not only alerts shop owners to customers entering their store but also can provide homeowners driveway annunciation and perimeter awareness.

Database contains 1 Optex Wireless 1000 Annunciator System TC-10U Manuals available for free online viewing or downloading in PDF. Wireless Doorbell Chime Home Security System Door Open Motion Sensor Alarm with 1000 FT 52 Tunes 4 Volume Levels LED Indicators Battery Operated -. 3800 to 10800 5 offers - Buy Optex TD-10U Annunciator Wireless System RC-10U 1000.

The Wireless 1000 Annunciator System can be installed anywhere easily and quickly with no wiring. The wireless 2000 includes an outdoor rated PIR detector as well as an RF.

Rc 10 Rg 10 Td 10 Ts 10

Rc 10 Rg 10 Td 10 Ts 10

Optex Wireless 1000 Handheld Transmitter

Optex Wireless 1000 Handheld Transmitter

Optex Wireless 1000 Annunciator System Tc 10u Manual Pdf Download Manualslib

Optex Wireless 1000 Annunciator System Tc 10u Manual Pdf Download Manualslib

Optex Wireless 1000 Annunciator System Entry Announcer Driveway Sensor For Sale Online Ebay

Optex Wireless 1000 Annunciator System Entry Announcer Driveway Sensor For Sale Online Ebay

Optex Rc 10u Wireless Sensor Annunciator System 3 Channel Receiver Chimebox Withrelay

Optex Rc 10u Wireless Sensor Annunciator System 3 Channel Receiver Chimebox Withrelay

2rdcz9zqcou27m

2rdcz9zqcou27m

Optex Wireless 1000 Handheld Transmitter

Optex Wireless 1000 Handheld Transmitter

Optex Wireless 1000 Hand Held Transmitter Amazon Ca Tools Home Improvement

Optex Wireless 1000 Hand Held Transmitter Amazon Ca Tools Home Improvement

Optex Driveway Alarm System Wireless 1000 Kit Rctd 10u

Optex Driveway Alarm System Wireless 1000 Kit Rctd 10u

Optex Wireless 1000 Annunciator System Entry Announcer Driveway Sensor For Sale Online Ebay

Optex Wireless 1000 Annunciator System Entry Announcer Driveway Sensor For Sale Online Ebay

Optex Wireless 1000 2000 Alarmsuperstore Com Your One Stop Alarm Shop

Optex Wireless 1000 2000 Alarmsuperstore Com Your One Stop Alarm Shop

Optex Rc 10u Driveway Alarm System Wireless Sensor Annunciator 1000 Receiver Ebay

Optex Rc 10u Driveway Alarm System Wireless Sensor Annunciator 1000 Receiver Ebay

4130003 Potter Ewp 202c Wireless Annunciator System Kit

4130003 Potter Ewp 202c Wireless Annunciator System Kit

Optex Rc 10u Wireless 1000 Annucia Electronics Ksl Com

Optex Rc 10u Wireless 1000 Annucia Electronics Ksl Com

Optex Wireless 1000 2000 Alarmsuperstore Com Your One Stop Alarm Shop

Optex Wireless 1000 2000 Alarmsuperstore Com Your One Stop Alarm Shop

Amazon Com Optex Rc 20u 3 Channel Receiver Chimebox W Relay Electronics

Amazon Com Optex Rc 20u 3 Channel Receiver Chimebox W Relay Electronics

Rexel Cdn Com

Rexel Cdn Com

Optex Wireless 2000 Hall S Cleaning Supply

Optex Wireless 2000 Hall S Cleaning Supply

Optex Optc10u Optex Wireless 1000 Door And Window Cont Transmitter Walmart Canada

Optex Optc10u Optex Wireless 1000 Door And Window Cont Transmitter Walmart Canada

Bosch Remote Annunciator Fmr 1000 Ra

Bosch Remote Annunciator Fmr 1000 Ra

Optex Ivision Wireless Intercom And Annunciator System Kit B H

Optex Ivision Wireless Intercom And Annunciator System Kit B H

Silent Knight Ra 1000r Firealarm Com

Silent Knight Ra 1000r Firealarm Com

Optex Optc10u Optex Wireless 1000 Door And Window Cont Transmitter Jbj Supply Store

Optex Optc10u Optex Wireless 1000 Door And Window Cont Transmitter Jbj Supply Store

1

1

Driveway Alert Driveway Alert System Wireless Driveway Alerts Driveway Vehicle Alert From Optex Garage Door Openers

Driveway Alert Driveway Alert System Wireless Driveway Alerts Driveway Vehicle Alert From Optex Garage Door Openers

Optex Tc 10u Wireless Transmitter

Optex Tc 10u Wireless Transmitter

Optex Wireless 2000 Annunciator System Rc 20u Chime Box With Relay Receiver 50 00 Picclick

Optex Wireless 2000 Annunciator System Rc 20u Chime Box With Relay Receiver 50 00 Picclick

Tr 10u Repeater Label Diagram Rating Label Tr 10u Optex

Tr 10u Repeater Label Diagram Rating Label Tr 10u Optex

Optex Rctd 20u Indoor Outdoor Wireless Annunciator System

Optex Rctd 20u Indoor Outdoor Wireless Annunciator System

Al3000 Alarm Annunciator Wisco Industrial Instruments

Al3000 Alarm Annunciator Wisco Industrial Instruments

Wireless 1000 Annunciator System Security Info Watch

Wireless 1000 Annunciator System Security Info Watch

Ox Co Rc 10u User Manual 8

Ox Co Rc 10u User Manual 8

Smart Annunciator Omnimetrix

Smart Annunciator Omnimetrix

Optex Wireless 1000 Annunciator System Entry Announcer Driveway Sensor For Sale Online Ebay

Optex Wireless 1000 Annunciator System Entry Announcer Driveway Sensor For Sale Online Ebay

100 1000 Karsan Wireless Fire Alarm Control Panel Operating Voltage 12 Vdc Id 21631824097

100 1000 Karsan Wireless Fire Alarm Control Panel Operating Voltage 12 Vdc Id 21631824097

Optex Morse Wireless 1000 Rc 10u Chime Box Manual Pdf Zoo

Optex Morse Wireless 1000 Rc 10u Chime Box Manual Pdf Zoo

Zimmersurveillance Com

Zimmersurveillance Com

Smart Annunciator Omnimetrix

Smart Annunciator Omnimetrix

Tc 10u Optex Wireless Door Window Contact For Optex Rctd 20u Adi

Tc 10u Optex Wireless Door Window Contact For Optex Rctd 20u Adi

4130030 Potter Ebp 401 Long Range Door Annunciator System Kit

4130030 Potter Ebp 401 Long Range Door Annunciator System Kit

Optex Rctd20u Wireless 2000 Entry Alert Kit

Optex Rctd20u Wireless 2000 Entry Alert Kit

Optex Rctd 20u Indoor Outdoor Wireless Annunciator System

Optex Rctd 20u Indoor Outdoor Wireless Annunciator System

Mircom Fa 1000 Series Instruction Manual Manualzz

Mircom Fa 1000 Series Instruction Manual Manualzz

Rg 10u Label Diagram 1 Optex

Rg 10u Label Diagram 1 Optex

Remote Annunciators Mircom

Remote Annunciators Mircom

Campainha Sem Fio 32 Toques Bivolt Longo Alcance Com Placa It Blue Tomadas E Interruptores Magazine Luiza

Campainha Sem Fio 32 Toques Bivolt Longo Alcance Com Placa It Blue Tomadas E Interruptores Magazine Luiza

Cross Point Va6000s Voice Alert System Manualzz

Cross Point Va6000s Voice Alert System Manualzz

Optex Wireless 2000 Annunciator System Optex Rctd 20u

Optex Wireless 2000 Annunciator System Optex Rctd 20u

1

1

Optex RC 10U Wireless 1000 Annunciator Sysytem Door Bell.

The Wireless 1000 Annunciator System can be installed anywhere easily and quickly with no wiring. Optex Wireless 1000 Hand-Held Transmitter TS-10U. Wordsstatements within square brackets may be included when appropriate or when selection is required. WIRELESS 1000 ANNUNCIATOR SYSTEM. The Wireless 2000 system can be used to alert shop owners when customers enter their store provide driveway annunciation and offer perimeter awareness. Wireless Doorbell Chime Home Security System Door Open Motion Sensor Alarm with 1000 FT 52 Tunes 4 Volume Levels LED Indicators Battery Operated -. Home activated you can manually trigger this system to react using the Wireless Handheld transmitter is compatible with the Optex Wireless 2000 Annunciator System. Whether it is for home or business indoor or outdoor Wireless 1000 is the ideal choice for perimeter awareness and wireless remote control. The wireless 2000 includes an outdoor rated PIR detector as well as an RF.


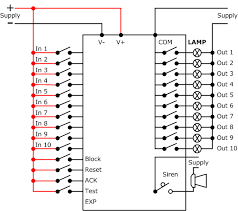
Account Lists Returns Orders. OPTEX now brings the benefits of its advanced wireless technology in the form of greater RF transmission range and design versatility to make your life more comfortable and convenient. Optex Wireless 2000 Annunciator System Optex RCTD-20U. Regardless of the application the Wireless 1000 Annunciator System is ideal for perimeter vigilance and wireless remote control. Receiver that can hold up to 9 detectors and chimes when the. An outdoor-rated PIR motion detector and a wireless Chime Box receiver that can hold up to 9 detectors and chimes when the sensor detects motion. Door strikes lights siren CCTV with relay output RC-10.

Post a Comment for "Wireless 1000 Annunciator System"